| Name: | F2200 / 2200HL Mud Pump |
|---|---|
Product Description
F2200 / 2200HL Mud Pump
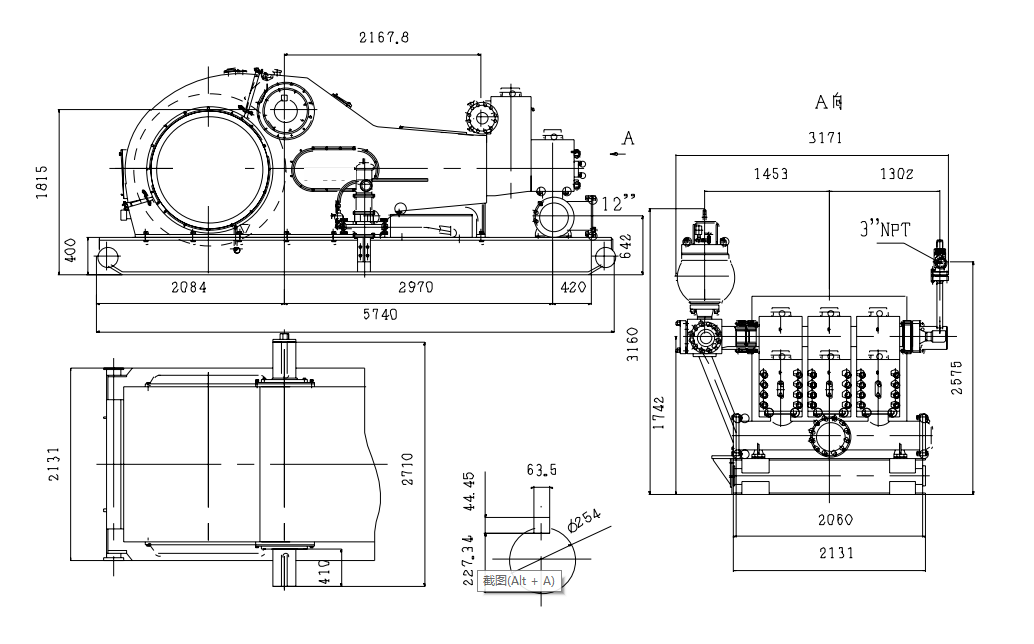
The F2200HL high-pressure mud pump is an electric mud pump unit driven by a DC motor and a narrow V-belt, used to deliver high-pressure drilling mud to the well bottom. It sprays the mud through the drill bit to crush rock, simultaneously cooling the drill bit and carrying away rock cuttings. It features a compact structure, complete functions, reliable use, and convenient maintenance. The pump unit base adopts a skid-mounted design, with two DC motors and their bases mounted separately on the large base, forming an integral unit with the pump base for easy disassembly, overall towing, and hoisting. It is suitable for drilling operations in oil and natural gas exploration and development and is an ideal equipment for large and medium-sized drilling mud circulation.
F2200HL drilling pump consists of two parts: power end and hydraulic end. The power end is used to transmit power, convert motion mode and speed, and provide appropriate power for the hydraulic end; The hydraulic end is used to convert mechanical energy into liquid internal energy to transport mud.

| Model | F-2200 | F-2200HL |
| Type | Triplex single acting piston | Triplex single acting plunger piston |
| Max. Liner Size * stroke | 230*356mm(9"*14") | 230*356mm(9"*14") |
| Strokes rating r/min | 105 | 105 |
| Power Rating Kw(HP) | 1640(2200) | 1640(2200) |
| Gear type | Herringbone gear | Herringbone gear |
| Gear ratio | 3.512:1 | 3.512:1 |
| Lubricating | Forced and splashing | Forced and splashing |
| Suction inlet Flange | 12" Flange (305mm Approx) | 12" Flange (305mm Approx) |
| Discharge outlet Flange | 5" Flange,5000PSI | 5" Flange,10000PSI |
| Pinion shaft Dia. | 254mm(10") | 254mm(10") |
| Key,mm(in) | 63.5*44.45 (2 1/2"*1 3/4") | 63.5*44.45 (2 1/2"*1 3/4") |
| Valve pots | Valve-over-valve API 8# | L type API 8# |
| Approx.Weight | 38460KG(84790LB) | 43080KG(94980LB) |

Technical specification:
Model | F500 | F800 | F1000 | F1300 | F1600 | F1600HL | F2200HL |
Power rating, KW | 373 | 597 | 746 | 969 | 1193 | 1193 | 1640 |
Rated stroke rate, time/min | 165 | 150 | 140 | 120 | 120 | 120 | 105 |
Max. cylinder dia. × stroke | φ170×191 | φ170×229 | φ170×254 | φ180×305 | φ180×305 | φ180×304.8 | φ230×356 |
Gear ratio | 4.286:1 | 4.185:1 | 4.207:1 | 4.206:1 | 4.206:1 | 4.206:1 | 3.5122:1 |
Suction Inlet Flange, in | 8 | 10 | 12 | 12 | 12 | 12 | 12 |
Pinion Shaft Dia. mm | 139.7 | 177.8 | 196.9 | 215.9 | 215.9 | 215.9 | 254 |
Discharge Outlet Flange, in | 4 | 5 | 5 | 5 | 5 | 5 1/8″ | 5 1/8″ |
Valve chamber | Valve-Over- Valve,API #5 | Valve-Over- Valve,API #6 | Valve-Over- Valve,API #6 | Valve-Over- Valve,API #7 | Valve-Over- Valve,API #7 | Valve-Over- Valve,API #7 | Valve-Over- Valve,API-8# |
L type,API #7 | L type,API #7 | L type,API-8# | |||||
Weight, kg | 9770 | 14500 | 18790 | 24572 | 24791 | 30500 | 44000 |
Drilling mud pumps are essential equipment for oil and gas drilling operations. These high-pressure pumps play a critical role in the drilling process, enabling effective circulation of drilling mud to lubricate and cool the drill bit, carry drilled cuttings to the surface, and maintain wellbore stability. With advancements in technology, modern drilling mud pumps are designed to offer greater precision, efficiency, and environmental performance, enabling oil and gas operators to achieve optimal drilling outcomes while minimizing their environmental footprint. As demand for oil and gas continues to rise, drilling mud pumps remain a vital tool in the exploration and production of these vital resources. In this context, the development of more advanced and sustainable mud pumping solutions will continue to be a key focus area for the industry.

